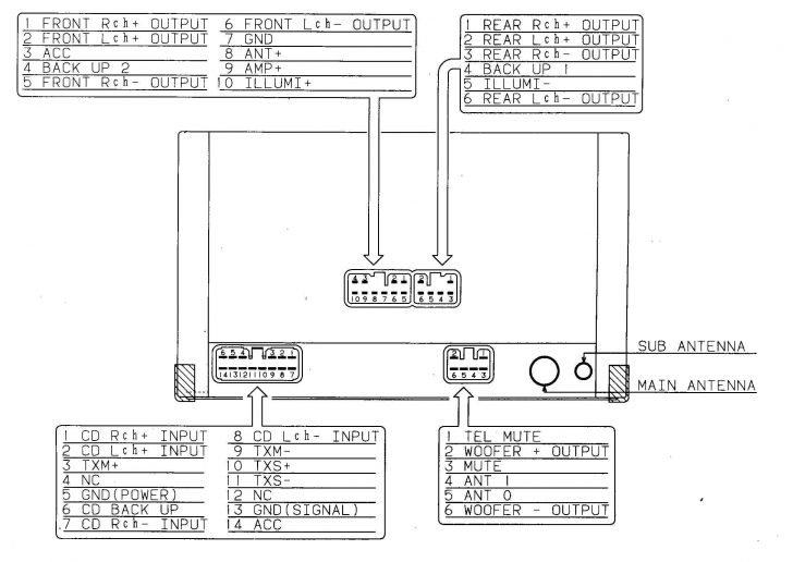
Sony Car Cd Player Wiring Diagram . Where is the model name located on my product. the wiring diagram for a sony car cd player provides a visual representation of the electrical connections and components in. when it comes to installing and wiring your sony cdx gt320 car stereo, understanding the wiring diagram is essential. find the sony stereo wiring diagram you need for your car audio system. Explore detailed diagrams and installation guides. The diagram provides a visual.
from manualdbdutchman.z13.web.core.windows.net
when it comes to installing and wiring your sony cdx gt320 car stereo, understanding the wiring diagram is essential. Where is the model name located on my product. Explore detailed diagrams and installation guides. the wiring diagram for a sony car cd player provides a visual representation of the electrical connections and components in. The diagram provides a visual. find the sony stereo wiring diagram you need for your car audio system.
Sonypact Cd Player Wiring Diagram
Sony Car Cd Player Wiring Diagram the wiring diagram for a sony car cd player provides a visual representation of the electrical connections and components in. Where is the model name located on my product. the wiring diagram for a sony car cd player provides a visual representation of the electrical connections and components in. The diagram provides a visual. find the sony stereo wiring diagram you need for your car audio system. Explore detailed diagrams and installation guides. when it comes to installing and wiring your sony cdx gt320 car stereo, understanding the wiring diagram is essential.
From 2020cadillac.com
Universal Cd Player Wiring Diagram Schema Wiring Diagram Sony Xplod Sony Car Cd Player Wiring Diagram Where is the model name located on my product. Explore detailed diagrams and installation guides. The diagram provides a visual. the wiring diagram for a sony car cd player provides a visual representation of the electrical connections and components in. when it comes to installing and wiring your sony cdx gt320 car stereo, understanding the wiring diagram is. Sony Car Cd Player Wiring Diagram.
From schematicoblicasao.z22.web.core.windows.net
Sony Car Cd Player Wiring Sony Car Cd Player Wiring Diagram The diagram provides a visual. Where is the model name located on my product. when it comes to installing and wiring your sony cdx gt320 car stereo, understanding the wiring diagram is essential. find the sony stereo wiring diagram you need for your car audio system. Explore detailed diagrams and installation guides. the wiring diagram for a. Sony Car Cd Player Wiring Diagram.
From schematiclistlanelle.z21.web.core.windows.net
Wireing Diagram For Sony Car Cd Sony Car Cd Player Wiring Diagram Explore detailed diagrams and installation guides. The diagram provides a visual. when it comes to installing and wiring your sony cdx gt320 car stereo, understanding the wiring diagram is essential. find the sony stereo wiring diagram you need for your car audio system. Where is the model name located on my product. the wiring diagram for a. Sony Car Cd Player Wiring Diagram.
From lace-fit.blogspot.com
Sony Cdx Gt280 Wiring Diagram Lace Fit Sony Car Cd Player Wiring Diagram the wiring diagram for a sony car cd player provides a visual representation of the electrical connections and components in. when it comes to installing and wiring your sony cdx gt320 car stereo, understanding the wiring diagram is essential. Explore detailed diagrams and installation guides. Where is the model name located on my product. find the sony. Sony Car Cd Player Wiring Diagram.
From techschematic.com
The Ultimate Guide to Car CD Player Wiring How to Install and Connect Sony Car Cd Player Wiring Diagram the wiring diagram for a sony car cd player provides a visual representation of the electrical connections and components in. find the sony stereo wiring diagram you need for your car audio system. when it comes to installing and wiring your sony cdx gt320 car stereo, understanding the wiring diagram is essential. Where is the model name. Sony Car Cd Player Wiring Diagram.
From dolace.blogspot.com
Sony Cd Player Wiring Diagram Dolace Sony Car Cd Player Wiring Diagram Explore detailed diagrams and installation guides. The diagram provides a visual. the wiring diagram for a sony car cd player provides a visual representation of the electrical connections and components in. Where is the model name located on my product. when it comes to installing and wiring your sony cdx gt320 car stereo, understanding the wiring diagram is. Sony Car Cd Player Wiring Diagram.
From mydiagram.online
[DIAGRAM] Sony Cd Player Wire Diagram Sony Car Cd Player Wiring Diagram Explore detailed diagrams and installation guides. find the sony stereo wiring diagram you need for your car audio system. the wiring diagram for a sony car cd player provides a visual representation of the electrical connections and components in. The diagram provides a visual. when it comes to installing and wiring your sony cdx gt320 car stereo,. Sony Car Cd Player Wiring Diagram.
From www.myxxgirl.com
Sony Car Cd Player Wiring Diagram Wiring Diagram Harness My XXX Hot Girl Sony Car Cd Player Wiring Diagram find the sony stereo wiring diagram you need for your car audio system. the wiring diagram for a sony car cd player provides a visual representation of the electrical connections and components in. Where is the model name located on my product. when it comes to installing and wiring your sony cdx gt320 car stereo, understanding the. Sony Car Cd Player Wiring Diagram.
From annawiringdiagram.com
Car Stereo Diagram Sony Cd Player Wiring Wiring Diagram Data Car Sony Car Cd Player Wiring Diagram the wiring diagram for a sony car cd player provides a visual representation of the electrical connections and components in. find the sony stereo wiring diagram you need for your car audio system. when it comes to installing and wiring your sony cdx gt320 car stereo, understanding the wiring diagram is essential. The diagram provides a visual.. Sony Car Cd Player Wiring Diagram.
From libby-scheme.blogspot.com
Sony Car Cd Player Wiring Diagram Online Video Libby Scheme Sony Car Cd Player Wiring Diagram The diagram provides a visual. when it comes to installing and wiring your sony cdx gt320 car stereo, understanding the wiring diagram is essential. Where is the model name located on my product. the wiring diagram for a sony car cd player provides a visual representation of the electrical connections and components in. Explore detailed diagrams and installation. Sony Car Cd Player Wiring Diagram.
From schematicwiringbowles.z5.web.core.windows.net
Sony Car Cd Player Wiring Diagram Sony Car Cd Player Wiring Diagram Where is the model name located on my product. The diagram provides a visual. the wiring diagram for a sony car cd player provides a visual representation of the electrical connections and components in. Explore detailed diagrams and installation guides. when it comes to installing and wiring your sony cdx gt320 car stereo, understanding the wiring diagram is. Sony Car Cd Player Wiring Diagram.
From schematron.org
Unveiling the Inner Workings of Sony's Car CD Player A Wiring Diagram Sony Car Cd Player Wiring Diagram Where is the model name located on my product. find the sony stereo wiring diagram you need for your car audio system. Explore detailed diagrams and installation guides. The diagram provides a visual. when it comes to installing and wiring your sony cdx gt320 car stereo, understanding the wiring diagram is essential. the wiring diagram for a. Sony Car Cd Player Wiring Diagram.
From schematron.org
Unveiling the Inner Workings of Sony's Car CD Player A Wiring Diagram Sony Car Cd Player Wiring Diagram The diagram provides a visual. Where is the model name located on my product. when it comes to installing and wiring your sony cdx gt320 car stereo, understanding the wiring diagram is essential. Explore detailed diagrams and installation guides. find the sony stereo wiring diagram you need for your car audio system. the wiring diagram for a. Sony Car Cd Player Wiring Diagram.
From schematron.org
Unveiling the Inner Workings of Sony's Car CD Player A Wiring Diagram Sony Car Cd Player Wiring Diagram find the sony stereo wiring diagram you need for your car audio system. the wiring diagram for a sony car cd player provides a visual representation of the electrical connections and components in. Where is the model name located on my product. The diagram provides a visual. when it comes to installing and wiring your sony cdx. Sony Car Cd Player Wiring Diagram.
From www.myxxgirl.com
Xr Sony Car Radio Wiring Sony Xplod Cd Player Wiring Diagram My XXX Sony Car Cd Player Wiring Diagram Explore detailed diagrams and installation guides. when it comes to installing and wiring your sony cdx gt320 car stereo, understanding the wiring diagram is essential. the wiring diagram for a sony car cd player provides a visual representation of the electrical connections and components in. The diagram provides a visual. Where is the model name located on my. Sony Car Cd Player Wiring Diagram.
From schematron.org
Sony Xplod Cd Player Wiring Diagram Sony Car Cd Player Wiring Diagram when it comes to installing and wiring your sony cdx gt320 car stereo, understanding the wiring diagram is essential. the wiring diagram for a sony car cd player provides a visual representation of the electrical connections and components in. The diagram provides a visual. Explore detailed diagrams and installation guides. find the sony stereo wiring diagram you. Sony Car Cd Player Wiring Diagram.
From circuitmanualkohler.z19.web.core.windows.net
Sony Xplod Car Cd Player Wiring Diagram Sony Car Cd Player Wiring Diagram when it comes to installing and wiring your sony cdx gt320 car stereo, understanding the wiring diagram is essential. The diagram provides a visual. find the sony stereo wiring diagram you need for your car audio system. Explore detailed diagrams and installation guides. Where is the model name located on my product. the wiring diagram for a. Sony Car Cd Player Wiring Diagram.
From schematicoblicasao.z22.web.core.windows.net
Sony Car Cd Player Wiring Sony Car Cd Player Wiring Diagram when it comes to installing and wiring your sony cdx gt320 car stereo, understanding the wiring diagram is essential. the wiring diagram for a sony car cd player provides a visual representation of the electrical connections and components in. Where is the model name located on my product. Explore detailed diagrams and installation guides. find the sony. Sony Car Cd Player Wiring Diagram.